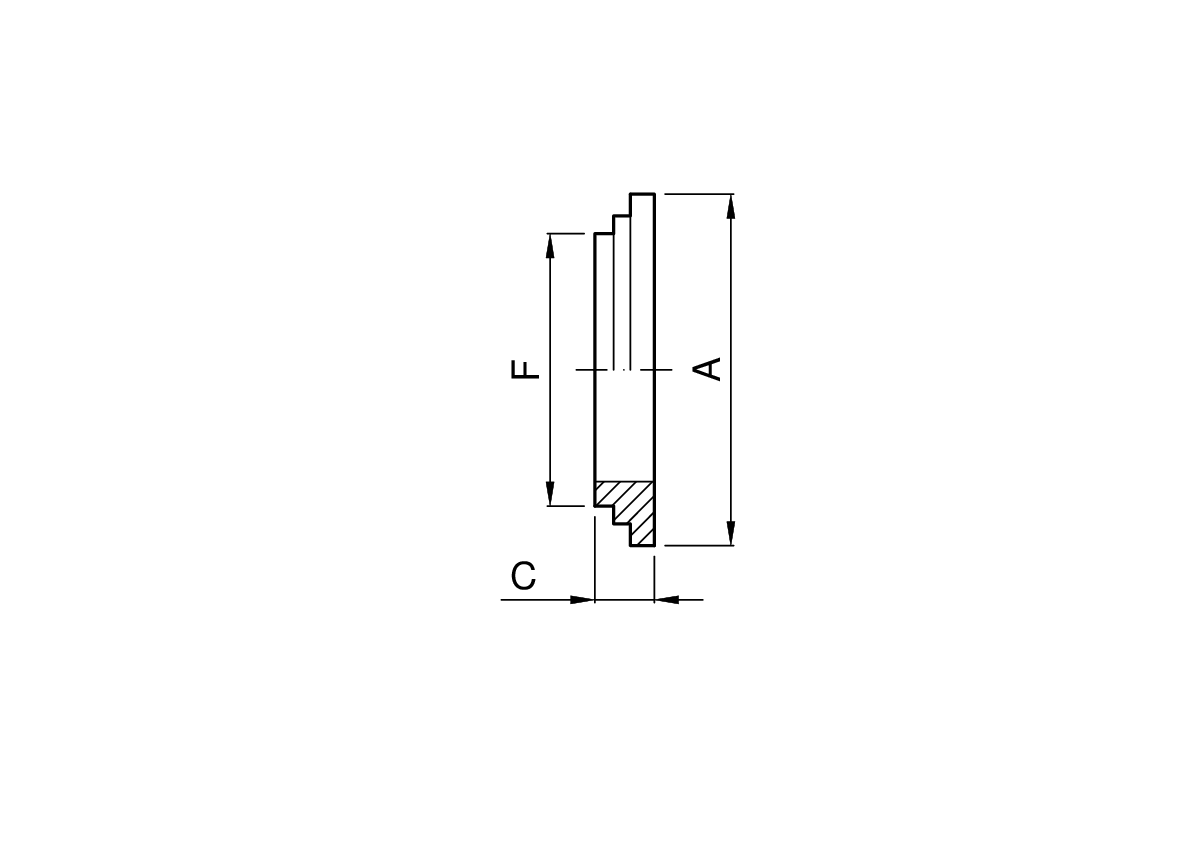
Misure del prodotto
| Codice | DN mm | F mm | A mm | C mm | Kg |
|---|---|---|---|---|---|
| 4.060.IJ.11-X | 25 | 25,4 | 35,5 | 10 | 0,03 |
| 4.060.IJ.24-X | 38 | 38,1 | 55 | 11 | 0,07 |
| 4.060.IJ.44-X | 51 | 50,8 | 65 | 13 | 0,08 |
| 4.060.IJ.58-X | 63 | 63,5 | 80 | 13 | 0,09 |
| 4.060.IJ.70-X | 76 | 76,1 | 93 | 14 | 0,15 |
| 4.060.IJ.76-X | 101 | 101,6 | 127 | 16 | 0,29 |
| 4.060.IJ.77-X | 104 | 104 | 118 | 16 | 0,29 |



