+39 0385 747068

4.815.Z9

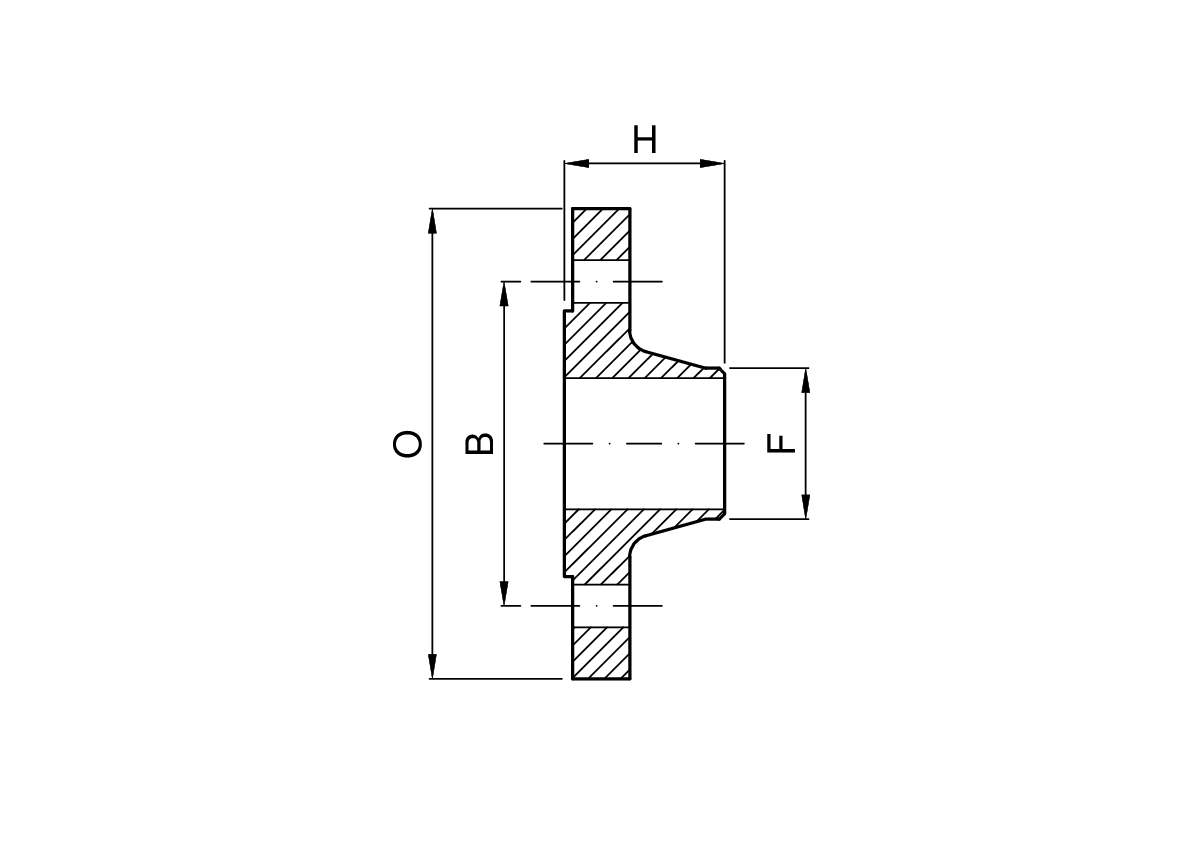
FLANGIA A COLLARINO UNI EN 1092-1 TIPO 11 PN 16

4.815.Z9

Misure del prodotto

CodiceDN mmF mmO mmH mmB mmHoles
4.815.Z9.08-A1522,59538654
4.815.Z9.10-A202810540754
4.815.Z9.13-A2534,511540854
4.815.Z9.29-A3243,5140421004
4.815.Z9.38-A4049,5150451104
4.815.Z9.50-A5061,5165451254
4.815.Z9.65-A6577185451458
4.815.Z9.71-A8090200501608
4.815.Z9.80-A100115,5220521808
4.815.Z9.82-A125141250552108
4.815.Z9.88-A150170,5285552408
4.815.Z9.92-A2002213406229512