Immagine con codice radice 4.824.Y9 non trovata.
FLANGIA CIECA UNI 6092/67 PN10 IN DURALLUMINIO
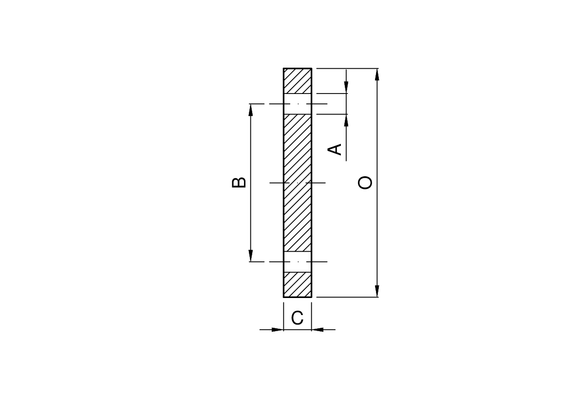
Misure del prodotto
| Codice | DN mm | O mm | B mm | C mm | N° mm | A |
|---|---|---|---|---|---|---|
| 4.824.Y9.13-Z | 25 | 115 | 85 | 16 | 4 | 14 |
| 4.824.Y9.29-Z | 32 | 140 | 100 | 16 | 4 | 18 |
| 4.824.Y9.38-Z | 40 | 150 | 110 | 16 | 4 | 18 |
| 4.824.Y9.50-Z | 50 | 165 | 125 | 18 | 4 | 18 |
| 4.824.Y9.65-Z | 65 | 185 | 145 | 18 | 4 | 18 |
| 4.824.Y9.71-Z | 80 | 200 | 160 | 20 | 8 | 18 |
| 4.824.Y9.80-Z | 100 | 220 | 180 | 20 | 8 | 18 |
| 4.824.Y9.82-Z | 125 | 250 | 210 | 22 | 8 | 18 |
| 4.824.Y9.88-Z | 150 | 285 | 240 | 22 | 8 | 22 |
| 4.824.Y9.92-Z | 200 | 340 | 295 | 24 | 8 | 22 |
| 4.824.Y9.97-Z | 250 | 395 | 350 | 24 | 12 | 22 |
| 4.824.Y9.98-Z | 300 | 445 | 400 | 26 | 12 | 22 |


