+39 0385 747068

Immagine con codice radice 4.821.X9 non trovata.

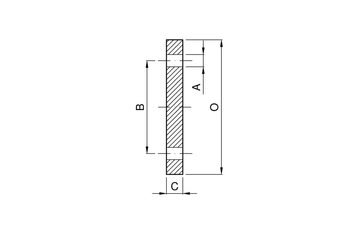
FLANGIA CIECA UNI EN 1092-1 05 PN6 (EX UNI 2276 /67)

4.821.X9

Misure del prodotto

CodiceDN mmO mmB mmC mmFori n°AmmKg
4.821.X9.08-A158055124110,44
4.821.X9.10-A209065144110,66
4.821.X9.13-A2510075144110,82
4.821.X9.29-A3212090144141,18
4.821.X9.38-A40130100144141,39
4.821.X9.50-A50140110144141,62
4.821.X9.65-A65160130144142,14
4.821.X9.71-A80190150184183,43
4.821.X9.80-A100210170184184,22
4.821.X9.82-A125240200188186,10
4.821.X9.88-A150265225188187,51
4.821.X9.92-A2003202801881812,31