Immagine con codice radice 4.825.Z9 non trovata.
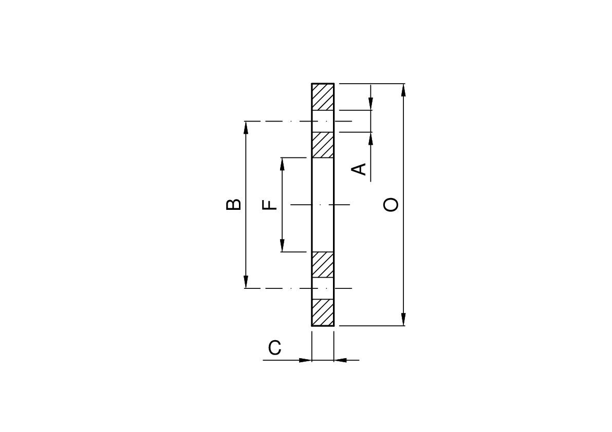
FLANGIA PIANA A SPESSORE RIDOTTO PN 16
Misure del prodotto
| Codice | DN mm | F mm | A mm | B mm | C mm | O mm | Fori n° | Kg |
|---|---|---|---|---|---|---|---|---|
| 4.825.Z9.29-A | 32 | 43 | 18 | 100 | 8 | 140 | 4 | 0,81 |
| 4.825.Z9.38-A | 40 | 49/42 | 18 | 110 | 10 | 150 | 4 | 1,16 |
| 4.825.Z9.50-A | 50 | 61,5/49 | 18 | 125 | 10 | 165 | 4 | 1,37 |
| 4.825.Z9.65-A | 65 | 77/65 | 18 | 145 | 12 | 185 | 4 | 2,00 |
| 4.825.Z9.71-A | 80 | 90/79 | 18 | 160 | 12 | 200 | 4/8 | 2,26 |
| 4.825.Z9.80-A | 100 | 115,5/90 | 18 | 180 | 12 | 220 | 8 | 2,40 |
| 4.825.Z9.82-A | 125 | 141 | 18 | 210 | 14 | 250 | 8 | 3,45 |


