Immagine con codice radice 4.840.X9 non trovata.
GUARNIZIONE PER FLANGIA PIANA UNI 2276 PN 6
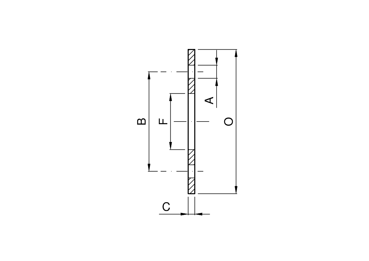
Misure del prodotto
| Codice | DN mm | F mm | A mm | B mm | C mm | O mm | Fori n° |
|---|---|---|---|---|---|---|---|
| 4.840.X9.08-N | 15 | 22 | 11 | 55 | 3 | 80 | 4 |
| 4.840.X9.10-N | 20 | 28 | 11 | 65 | 3 | 90 | 4 |
| 4.840.X9.13-N | 25 | 34 | 11 | 75 | 3 | 100 | 4 |
| 4.840.X9.29-N | 32 | 43 | 14 | 90 | 3 | 120 | 4 |
| 4.840.X9.38-N | 40 | 49 | 14 | 100 | 3 | 130 | 4 |
| 4.840.X9.50-N | 50 | 62 | 14 | 110 | 3 | 140 | 4 |
| 4.840.X9.65-N | 65 | 77 | 14 | 130 | 3 | 160 | 4 |
| 4.840.X9.71-N | 80 | 90 | 18 | 150 | 3 | 190 | 4 |
| 4.840.X9.80-N | 100 | 116 | 18 | 170 | 3 | 210 | 4 |
| 4.840.X9.82-N | 125 | 5 | 141 | 18 | 210 | 250 | 8 |


