+39 0385 747068

4.580.BB

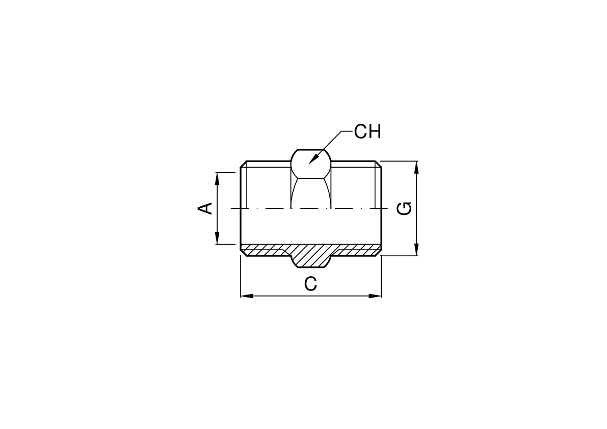
NIPPLO ESAGONALE FILETTATO GAS

4.580.BB

Misure del prodotto

CodiceG inchC mmCH
4.580.BB.04-Y1/42514,5
4.580.BB.05-Y3/82718
4.580.BB.08-Y1/23422
4.580.BB.10-Y3/436,528
4.580.BB.13-Y14235
4.580.BB.29-Y1 1/447,543
4.580.BB.38-Y1 1/247,549,5
4.580.BB.50-Y262
4.580.BB.65-Y2 1/2
4.580.BB.71-Y3