+39 0385 747068

6.300.ED

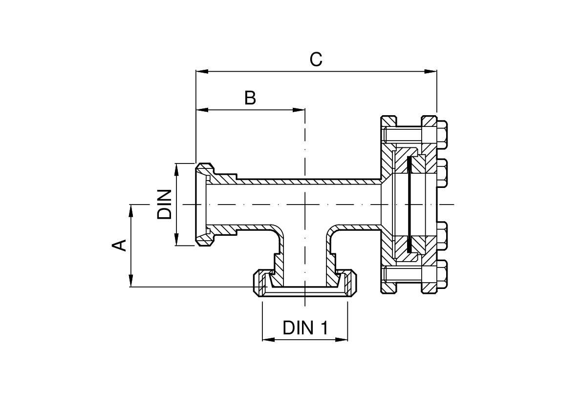
T SUPPORTO MEMBRANA IN CARBONIO CON ATTACCHI DIN MASCHIO-FEMMINA

6.300.ED

Misure del prodotto

CodiceDINDIN1A mmB mmC mmKg
6.300.ED.23-A40326773170,53,80
6.300.ED.32-A40406673170,54,00
6.300.ED.45-A50407683190,54,20
6.300.ED.50-A50507683190,54,20