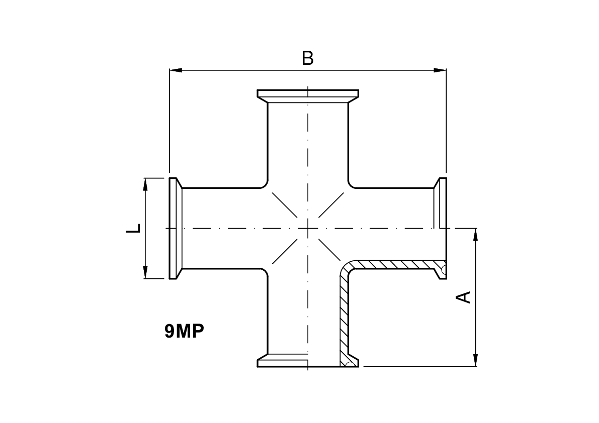
Misure del prodotto
| Codice | DN inch | L mm | A mm | B mm | Kg |
|---|---|---|---|---|---|
| 4.520.LL.03-B | 1/2 | 25,4 | 60 | 120 | |
| 4.520.LL.07-B | 3/4 | 25,4 | 60 | 120 | |
| 4.520.LL.11-B | 1 | 50,4 | 60,3 | 120,6 | 0,25 |
| 4.520.LL.24-B | 1 1/2 | 50,4 | 69,9 | 139,8 | 0,40 |
| 4.520.LL.44-B | 2 | 64 | 88,9 | 177,8 | 0,70 |
| 4.520.LL.58-B | 2 1/2 | 77,4 | 88,9 | 177,8 | 0,80 |
| 4.520.LL.70-B | 3 | 90,9 | 95,3 | 190,6 | 1,25 |
| 4.520.LL.76-B | 4 | 118,8 | 114,3 | 228,6 | 1,90 |



