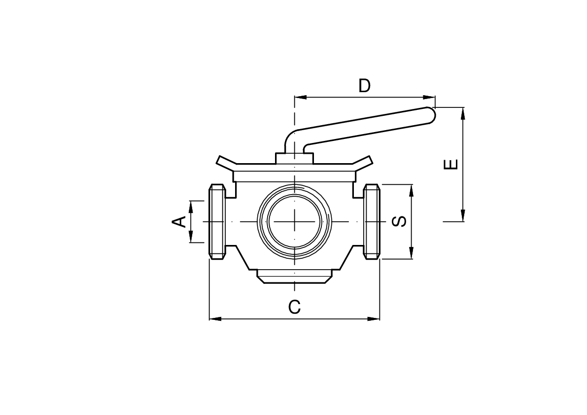
Misure del prodotto
| Codice | DN mm | S mm | A mm | C mm | D mm | E mm | Kg |
|---|---|---|---|---|---|---|---|
| 3.100.HH.11-A | 25 | 40 | 22,4 | 120 | 110 | 98 | 2,10 |
| 3.100.HH.24-A | 38 | 60 | 35,1 | 140 | 113 | 111 | 3,40 |
| 3.100.HH.44-A | 51 | 70 | 47,8 | 170 | 135 | 123 | 6,60 |
| 3.100.HH.58-A | 63 | 85 | 60,5 | 200 | 167 | 263 | 13,40 |
| 3.100.HH.70-A | 76 | 98 | 72,1 | 230 | 17,50 | ||
| 3.100.HH.76-A | 101 | 132 | 97,6 | 260 | 25,00 | ||



