+39 0385 747068

5.440.MM

TEE A SALDARE 3A LUCIDO (Ra < 0,5 μm)

5.440.MM

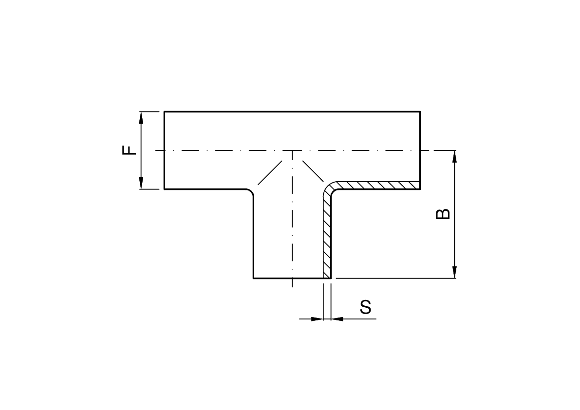
Misure del prodotto

CodiceDN inchF mmS mmA mmB mmKg
5.440.MM.03-B1/212,71,6538,176,20,06
5.440.MM.07-B3/419,051,6547,695,20,07
5.440.MM.11-B125,41,6547,695,20,08
5.440.MM.24-B1 1/238,11,6557,2114,40,16
5.440.MM.44-B250,81,6576,2152,40,25
5.440.MM.58-B2 1/263,51,6576,2152,40,35
5.440.MM.70-B376,11,6582,6165,20,50
5.440.MM.76-B4101,62,198,51970,90