+39 0385 747068

4.570.LM

TRONCHETTO CLAMP A SALDARE SPESSORATO

4.570.LM

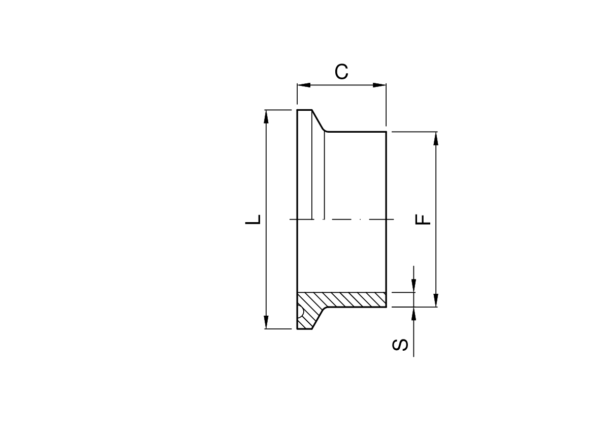
Misure del prodotto

CodiceDN inchL mmF mmC mmS mmKg
4.570.LM.11-B150,429,541,33,85
4.570.LM.24-B1 1/250,442,641,34,05
4.570.LM.44-B26455,744,54,25
4.570.LM.58-B2 1/277,468,844,54,45
4.570.LM.70-B390,981,9464,65
4.570.LM.76-B4118,8108,1545,65