+39 0385 747068

1.100.FF

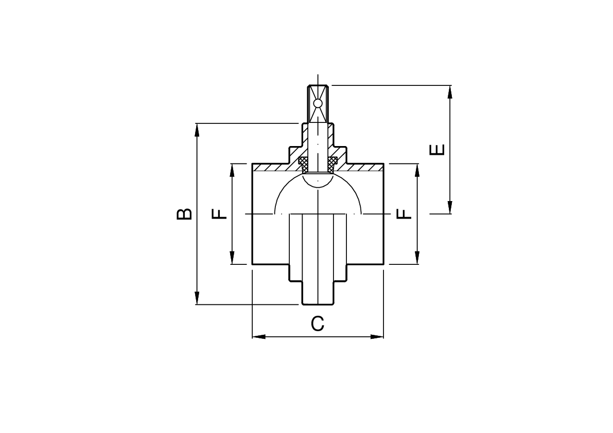
VALVOLA A FARFALLA CON ATTACCHI A SALDARE PER TUBI DIN 11850 SERIE 1

1.100.FF

Misure del prodotto

CodiceDIN mmF mmB mmC mmE mmKg
1.100.FF.09-A202250600,60
1.100.FF.12-A2528796861,50,77
1.100.FF.23-A3234857664,50,85
1.100.FF.32-A4040927668,01,00
1.100.FF.45-A50521058074,51,40
1.100.FF.57-A60601138278,51,50
1.100.FF.66-A65701258284,51,75
1.100.FF.72-A80851378490,52,30
1.100.FF.77-A10010415788100,52,70