+39 0385 747068

1.100.DD

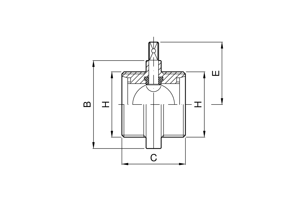
VALVOLA A FARFALLA CON ATTACCHI DIN 11851 FEMMINA-FEMMINA

1.100.DD

Misure del prodotto

CodiceDIN mmH mmB mmC mmE mmKg
1.100.DD.06-A153450700,60
1.100.DD.09-A204450750,70
1.100.DD.12-A2552796861,51,00
1.100.DD.23-A3258856864,51,25
1.100.DD.32-A4065927668,01,45
1.100.DD.45-A50781057674,51,90
1.100.DD.57-A60851138278,52,10
1.100.DD.66-A65951258284,52,25
1.100.DD.72-A801101378490,53,10
1.100.DD.77-A10013015788100,54,00