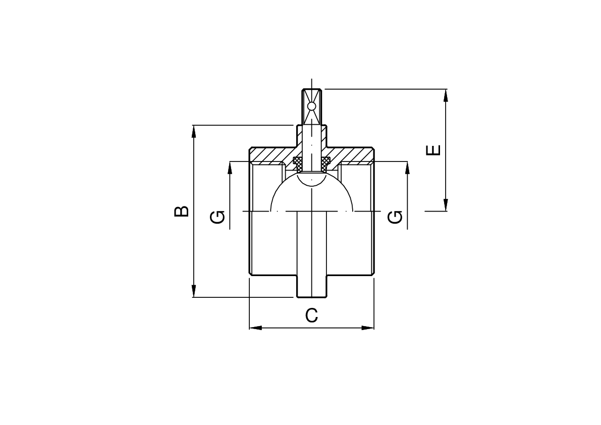
Misure del prodotto
| Codice | G inch | B mm | C mm | E mm | Kg |
|---|---|---|---|---|---|
| 1.100.AA.13-A | 1 | 79 | 68 | 61,5 | 1,00 |
| 1.100.AA.29-A | 1 1/4 | 85 | 76 | 64,5 | 1,25 |
| 1.100.AA.38-A | 1 1/2 | 92 | 72 | 68 | 1,45 |
| 1.100.AA.50-A | 2 | 105 | 76 | 74,5 | 1,90 |
| 1.100.AA.65-A | 2 1/2 | 125 | 82 | 84,5 | 2,20 |
| 1.100.AA.71-A | 3 | 137 | 84 | 90,5 | 3,10 |
| 1.100.AA.80-A | 4 | 157 | 88 | 100,5 | 4,00 |



