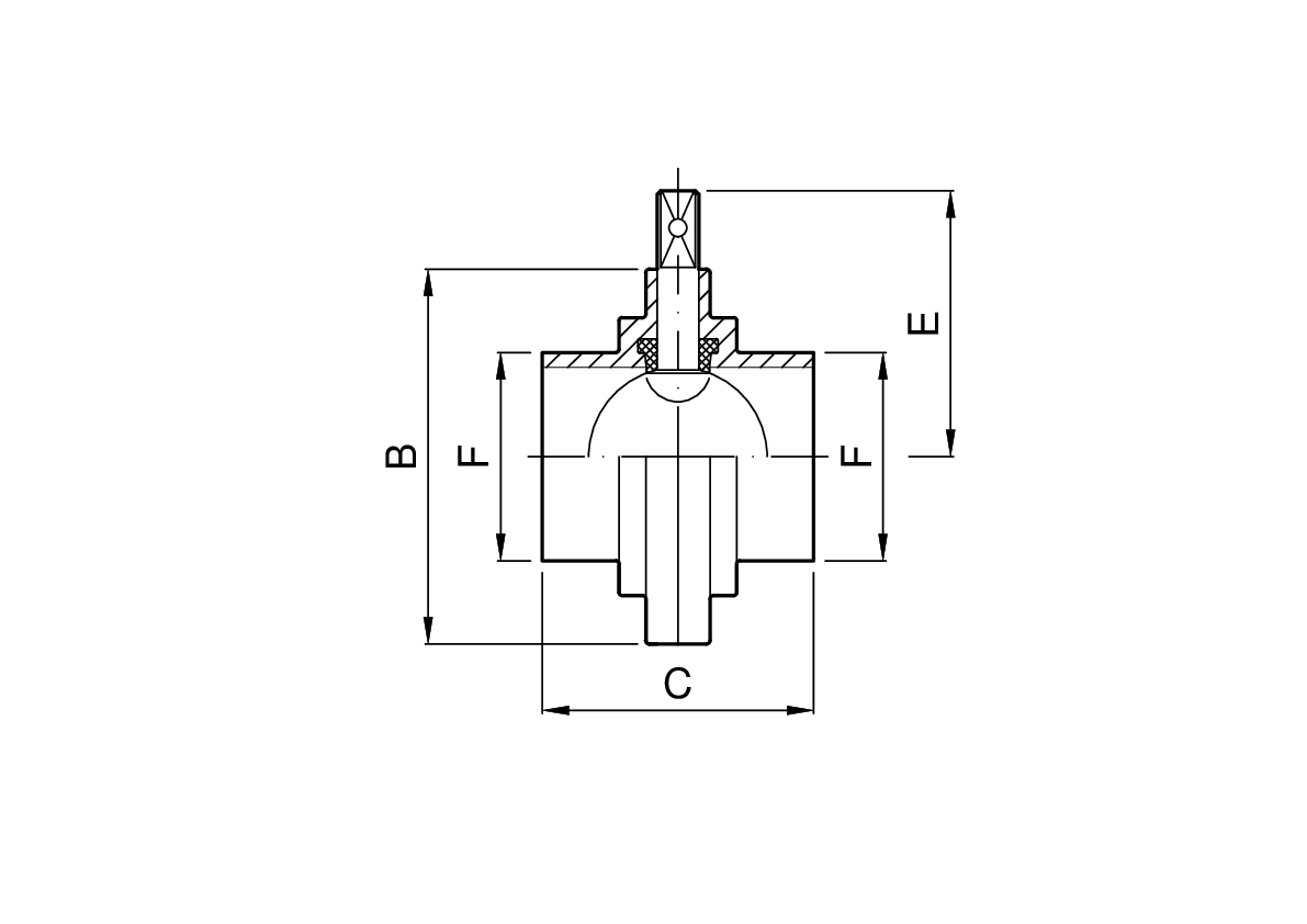
Misure del prodotto
| Codice | DN mm | F mm | B mm | C mm | E mm | Kg |
|---|---|---|---|---|---|---|
| 1.100.JJ.11-A | 25 | 25,4 | 79 | 68 | 61,5 | 0,77 |
| 1.100.JJ.24-A | 38 | 38,1 | 85 | 76 | 68 | 0,85 |
| 1.100.JJ.44-A | 51 | 50,8 | 105 | 80 | 74,5 | 1,40 |
| 1.100.JJ.58-A | 63 | 63,5 | 113 | 82 | 78,5 | 1,50 |
| 1.100.JJ.70-A | 76 | 76,1 | 125 | 82 | 90,5 | 1,75 |
| 1.100.JJ.76-A | 101 | 101,6 | 157 | 88 | 100,5 | 2,70 |



