+39 0385 747068

1.200.FD

VALVOLA A FARFALLA “EURO” CON ATTACCHI A SALDARE-DIN 11851 FEMMINA

1.200.FD

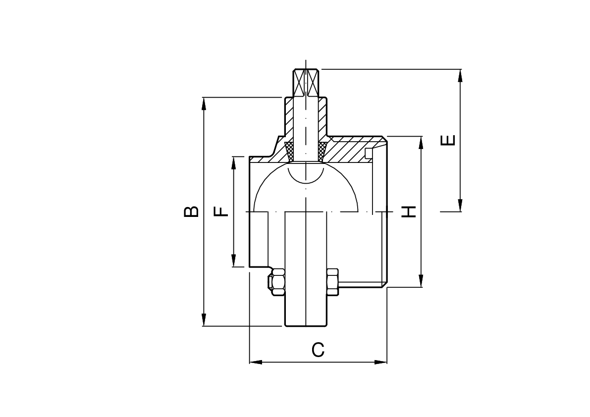
Misure del prodotto

CodiceDIN mmF mmH mmB mmC mmE mmKg
1.200.FD.12-A252952875257-
1.200.FD.23-A323558925359,5-
1.200.FD.32-A404165976162-
1.200.FD.45-A5053781106168,5-
1.200.FD.66-A6570951276377-
1.200.FD.72-A80851101427584,5-
1.200.FD.77-A1001041301627595-
1.200.FD.81-A125129160***-
1.200.FD.86-A150154190***-